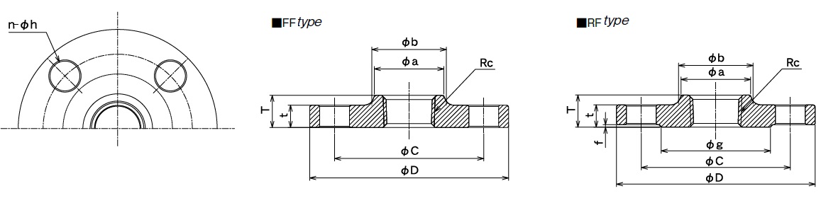
| Part No | Model No |
Thread |
φD | φC | φb | φa | t | T | Bolt holes | |
| n(Number) | φh | |||||||||
| 14100181 | V10TF-04 | 1/2 | 95 | 70 | 30 | 28 | 12 | 16 | 4 | 15 |
| 14100182 | V10TF-06 | 3/4 | 100 | 75 | 36 | 34 | 14 | 20 | 4 | 15 |
| 14100183 | V10TF-08 | 1" | 125 | 90 | 44 | 42 | 14 | 20 | 4 | 19 |
| 14100184 | V10TF-10 | 1"1/4 | 135 | 100 | 53 | 51 | 16 | 22 | 4 | 19 |
| 14100185 | V10TF-12 | 1"1/2 | 140 | 105 | 60 | 57 | 16 | 24 | 4 | 19 |
| 14100186 | V10TF-16 | 2" | 155 | 120 | 73 | 70 | 16 | 24 | 4 | 19 |
| 14100187 | V10TF-20 | 2"1/2 | 175 | 140 | 91 | 81 | 18 | 27 | 4 | 19 |
| 14100188 | V10TF-24 | 3" | 185 | 150 | 105 | 100 | 18 | 30 | 8 | 19 |
| 14100189 | V10TF-32 | 4" | 210 | 175 | 130 | 128 | 18 | 36 | 8 | 19 |
