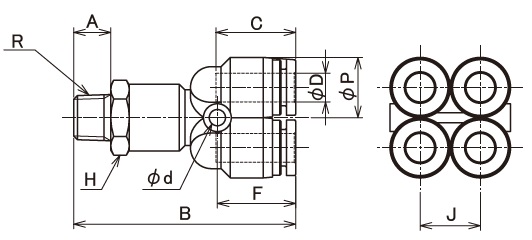
| Part No | Model No | Applicable tube outer diameter φD1 |
Theard (R) |
A | B | L | φP1 | C | J | H | φd | F |
Oriffice |
Weight(g) | Qty per bag |
Qty per box |
| 16000911 | OPXT 0401 | 4 | 1/8 | 8 | 44.2 | 43.6 | 10.4 | 16 | 10.4 | 12 | 3.3 | 14.2 | 2 | 20 | 5 | 25 |
| 16000912 | OPXT 0402 | 4 | 1/8 | 11 | 48.2 | 48 | 10.4 | 16 | 10.4 | 12 | 3.2 | 14.2 | 2 | 25.7 | 5 | 25 |
| 16000913 | OPXT 0601 | 6 | 1/4 | 8 | 47.9 | 13 | 17 | 13 | 14 | 3.5 | 16.9 | 3.5 | 25.4 | 5 | 25 |
